產品分類
PRODUCT CENTER產品規格更多
| 產品 | 規格 |
|---|---|
| 二波板 | 4320*310*85*3/4 |
| 三波板 | 4320*506*85*3/4 |
| 圓立柱 | 直徑140/114*4.5 |
| 方立柱 | 130*130*6*2540 |
| 防阻塊 | 196*178*200*3/4.5 |
| 托 架 | 70*300*4/4.5 |
| 柱 帽 | 140/114適配 |
| 螺 栓 | M16*35/45/170 |
| 方墊片 | 76*44*4 |
| 單端頭 | R160*3/4 |
點擊數:2072025-10-25 11:05:02 來源: 波形護欄|護欄板價格|高速護欄板廠家-冠縣華安交通
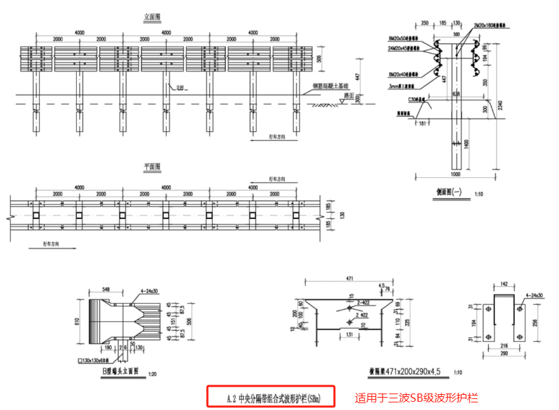
波形護欄中央分隔帶的設計標準與規格參考大樣圖
以下波形護欄中央分隔帶標準截取自:
中央分隔帶寬度小于 2.5m ,中央分隔帶內構造物不多或埋設管線較少的珞段,可采用組合型護欄。
? 兩波形Am級組合型中央分隔帶波形護欄
? 三波形SBm級分設型中央分隔帶波形護欄
這兩個標準分別對應了分設型和組合型中央分隔帶波形護欄的設置要求:
防護等級為二至七(代碼分別為 Bm、 Am、SBm、 SAm、 SSm、 HBm )級的分設型中央分隔帶護欄的構造形式與二至七(代碼分別為 B、A、SB、 SA、SS、HB )級的路側護欄基本相同。
在不同類型的中分帶護欄規格尺寸中也給出了明確的要求:
中央分隔帶護欄的設置及防護等級的選取應符合下列規定:
根據中央分隔帶的條件,事故嚴重程度可分為三個等級:高、中、低。中央分隔帶護欄的防護等級應符合6.2.3 的規定。
下面是組合型與分設型中央分隔帶護欄的設置參考大樣圖:

